つくったー
「プロペラを使ってなんか作ってみたよー」というのを公開していきましょう!

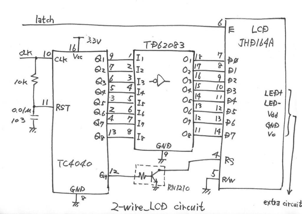
PropForthで作った2線キャラクタLCDコントロール回路 by caskaz

dscn8711.jpg2-wire_LCD0001.jpg2-wire_LCD0002.jpg
file2_wire_LCD_1.5.f

信号線2本と電源線2本の4本接続なので間違えにくいし、D0ーD7とRSはLCDコントローラHD44780内部で5Vでプルアップされてるので3.3VCPUと直結するのは気持ち悪いのでオープンコレクタバッファをいれている。(PropellerForum?の人達は5VLCDと信号ライン直結を気にしていないようだが)propeller出力をLにすればキャラクタLCDのD0ーD7とRSから電流がながれることもない。
すみません、Forthコードです。spinは書いてません。


トップ   新規 一覧 単語検索 最終更新   ヘルプ   最終更新のRSS